Smart Mirror Cabinet

Krund is committed to providing a safe, warm, healthy, intelligent and high-quality and humanized living light environment for the space.

Single-sided cabinet mirror KRJ01-1D006
Single-sided cabinet mirror KRJ01-1D006
Single-sided cabinet mirror KRJ01-1D006
Single-sided cabinet mirror KRJ01-1D006

Single-sided cabinet mirror KRJ01-1D006

Single-sided 4mm silver surface~
Semi-hidden frame single-sided mirror cabinet door panel~
With built-in handle-free, more convenient to open~
Back-stick explosion-proof film~
Color:silver
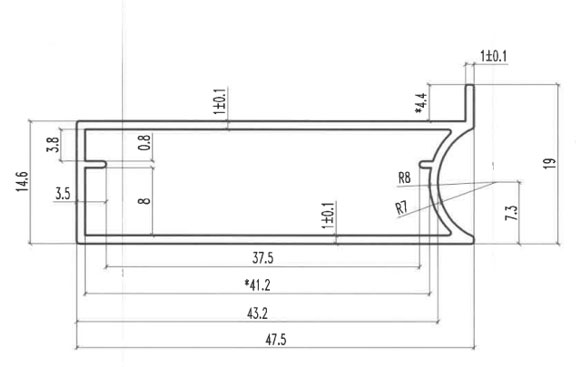
19mm single-sided mirror door panel
  • Specifications
  • Dimensions
Single-sided cabinet mirror KRJ01-1D006
  • Case studies